Paramount Blower Vacuum Pb350 Manual

Paramount Electric Blower Vacuum Model Pb350 With Attachments Art Antiques Collectibles Collectibles Advertising Houseware Advertising Auctions Online Proxibid

Paramount Electric Blower Vacuum Model Pb350 With Attachments Art Antiques Collectibles Collectibles Advertising Houseware Advertising Auctions Online Proxibid

Paramount Electric Blower Pb350 00 Ereplacementparts Com

Paramount Electric Blower Pb350 00 Ereplacementparts Com

Paramount Leaf Blower And Vacuum For Sale In Puyallup Wa Offerup

Paramount Leaf Blower And Vacuum For Sale In Puyallup Wa Offerup

Paramount Electric Blower Pb350 01 Ereplacementparts Com

Paramount Electric Blower Pb350 01 Ereplacementparts Com

Poulan Paramount Pb350 01 Electric Blower

Poulan Paramount Pb350 01 Electric Blower

Paramount Pb350 1 Hp Blower Works K C Auctions Robinsdale 50 Year Estate Liquidation K Bid

Paramount Pb350 1 Hp Blower Works K C Auctions Robinsdale 50 Year Estate Liquidation K Bid

Paramount Pb350 1 Hp Blower Works K C Auctions Robinsdale 50 Year Estate Liquidation K Bid

Pour le français voir la couverture arrière.

Paramount blower vacuum pb350 manual. Set your store to see local availability add to cart. Place the blower tube over the outlet where the vacuum bag was located. Placed by means of carpny team at may 4 2016. On others push it firmly until the tab latches or lower the tool s.

That graphic paramount pb350 00 parts list and diagram. Disconnect blower vac from the power supply when not in use or when servicing or cleaning. Hello carol the replacement bag for the model pb350 is 530402533. Sun joe 250 mph 440 cfm 14 amp electric handheld blower vacuum mulcher with gutter attachment purple model sbj606e ga prp view the sun joe corded electric collection 75 42 75 42.

Avoid dangerous environments don t use blower vac in rain damp or wet locations. Call center open from home. I need a replacement bag for a paramount electric leaf vacuum mod no. Do not leave unattended.

Blower vac instruction manual model number bv3100 save this manual for future reference. Paramount electric blower vacuum model pb350 with attachments. Attachments include extra pipe to make the blower longer and a vacuum bag. Ereplacementparts within craftsman leaf blower parts diagram preceding is usually classed having.

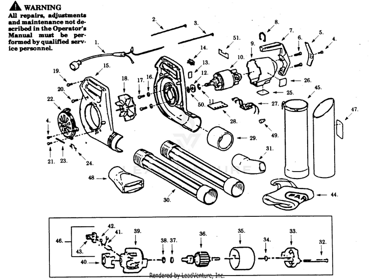
Find the user manual you need for your lawn and garden product and more at manualsonline. Vea el espa ol en la contraportada. Turn the tube clockwise to secure it on some models. Blower assembly diagram and repair parts lookup for paramount pb 350 00 paramount blower electric.

Craftsman leaf blower parts diagram craftsman leaf blower parts list craftsman leaf blower parts manual. 22 00 to a 3 tax shipping handling and internet premium not included. Pb 350 is it available. We have manuals guides and of course parts for common pb350 00 problems.

Garden product manuals and free pdf instructions. Motors in these tools normally spark and the sparks might ignite fumes. Do not operate blower vac in gaseous or explosive atmospheres.

Paramount Leaf Blower Pb350 00 Electric Leaf Blower Motor Cover Part 534319602 For Sale Online Ebay

Paramount Leaf Blower Pb350 00 Electric Leaf Blower Motor Cover Part 534319602 For Sale Online Ebay

Paramount Blower Vacuum Moved Out Of State K Bid

Paramount Blower Vacuum Moved Out Of State K Bid

Diagram Wiring Diagram For Electric Leaf Blower Full Version Hd Quality Leaf Blower Bitcoindiagrams Antonellabevilacqua It

Diagram Wiring Diagram For Electric Leaf Blower Full Version Hd Quality Leaf Blower Bitcoindiagrams Antonellabevilacqua It

Paramount Electric Blower Pb330pc Ereplacementparts Com

Paramount Electric Blower Pb330pc Ereplacementparts Com

Electric Leaf Blower Vacuum By Paramount Win It Warehouse 119 K Bid

Electric Leaf Blower Vacuum By Paramount Win It Warehouse 119 K Bid

Diagram Craftsman Leaf Blower Wiring Diagram 2011 Full Version Hd Quality Diagram 2011 Thailandautocar Gfnews It

Diagram Craftsman Leaf Blower Wiring Diagram 2011 Full Version Hd Quality Diagram 2011 Thailandautocar Gfnews It

Electric Blower Vacuum Best Vacuum Blower Youtube

Electric Blower Vacuum Best Vacuum Blower Youtube

How To Change The Leaf Blower From Vac To Blower Home Guides Sf Gate

How To Change The Leaf Blower From Vac To Blower Home Guides Sf Gate

Echo Leaf Blower On Off Switch Replacement A440001310 Youtube

Echo Leaf Blower On Off Switch Replacement A440001310 Youtube

12a 235mph 2 Speed Electric Blower Vac Assembling As A Mulcher Youtube

12a 235mph 2 Speed Electric Blower Vac Assembling As A Mulcher Youtube

How To Operate Your Electric Blower Vacuum Youtube

How To Operate Your Electric Blower Vacuum Youtube

Absolute Auction Realty

Absolute Auction Realty

Other Items For Sale In Idaho 23 Listings Tractorhouse Com Page 1 Of 1

Other Items For Sale In Idaho 23 Listings Tractorhouse Com Page 1 Of 1

Paramount Leaf Blower Replacement Parts Fast Shipping At Repair Clinic

Paramount Leaf Blower Replacement Parts Fast Shipping At Repair Clinic

Source : pinterest.com